关键要点:
・FO引脚为错误输出功能引脚,用于向外部通知内置保护功能的启动情况,并会为自我保护而关断下桥臂各相的IGBT。
・FO输出功能的信号输出时间因已启动的保护功能类型而异,因此可以判别已启动了哪种保护功能。这是本机型产品所具备的功能。
・FO引脚的输入功能,通过在FO引脚上连接RC并调整时间常数,可以扩展下桥臂各相IGBT的关断时间。
・当FO输出经由隔离器件输入至MCU时,在输出时间隔离器件的传输延迟时间比FO输出的L电平最短时间要长时,需要根据延迟情况来扩展FO输出时间时,可使用该功能。
本文将介绍“保护功能和工作时序”系列的第五个功能——“错误输出功能(FO)”。
- 短路电流保护功能(SCP)
- 控制电源欠压误动作防止功能(UVLO)
- 热关断保护功能(TSD) *仅限BM6337xS
- 模拟温度输出功能(VOT)
- 错误输出功能(FO)
- 控制输入(HINU、HINV、HINW、LINU、LINV、LINW)
错误输出功能(FO)
FO引脚为错误输出功能用的引脚,用来向外部通知内置保护功能的启动,另外,为自我保护会关断下桥臂各相的IGBT。
该IGBT IPM系列的LVIC(低边IGBT栅极驱动器)单元内置SCP(短路电流保护)、UVLO(欠压锁定,防止控制电源欠压误动作)和 TSD(热关断保护功能*仅限BM6337xS)等保护功能,如各保护功能的说明中所提到的,当保护功能启动时,FO引脚将从H电平转换为L电平。
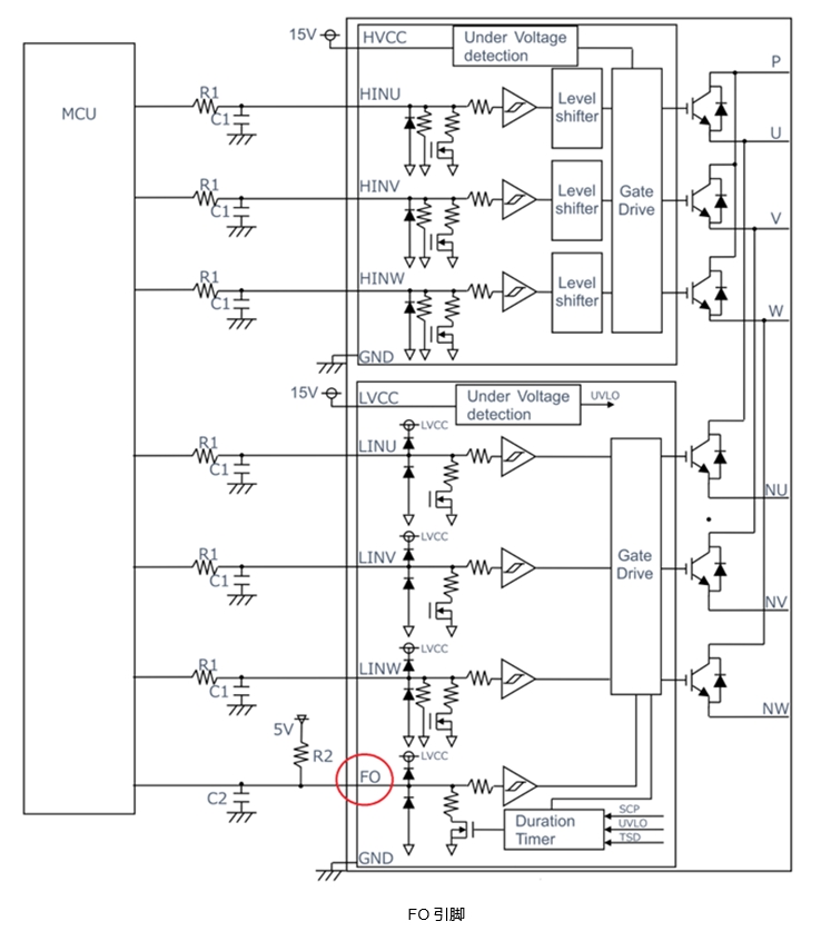
下面是包括与MCU的连接示例在内的框图。红线圈起来的引脚为FO引脚。FO引脚为IO配置,输出为开漏输出,输入为施密特触发缓冲器输入。该输入监控FO引脚的输入电平,并在输入为L电平期间关断下桥臂各相的IGBT。另外,通过给FO引脚连接外置电容和电阻,还可以扩展下桥臂的关断时间。
HVIC(高边IGBT栅极驱动器)单元也配有UVLO功能,但如框图所示,该功能对FO输出没有影响。因此,即使HVIC的UVLO启动,FO输出的电压电平也不会改变。详细说明请参考“控制电源欠压误动作防止功能(UVLO)”。
下面分别介绍一下FO引脚的输出功能和输入功能。

FO引脚的输出功能
如前所述,当LVIC的保护功能工作时,FO引脚的电压电平会从H转换为L,通知保护功能已启动。利用该FO输出功能,可对MCU发出IGBT IPM的保护功能已启动的通知,从而可进行适当处理和记录。
如下表和时序图所示,FO输出功能的信号输出时间(L期间)会因已启动的保护功能类型而异。这是本系列产品所配备的功能,可以通过测量信号的时间来判别已启动了哪种保护功能。这样不仅可以识别和记录故障的发生(保护功能工作),还可以识别和记录启动了哪种保护功能。另外,如果保护工作的时间长于各信号的输出时间设定,则在此期间内将保持L。


FO引脚为开漏输出,因此需要上拉电阻。FO引脚的绝对最大额定值,施加电压VFO为-0.5V~Vcc+0.5V(FO-GND引脚之间),灌电流IFO为1mA,因此需要在这些范围内决定上拉电压和电阻。IFO可以通过上拉电源电压和上拉电阻值粗略地计算出来。另外,除了绝对最大额定值之外,还需要考虑FO引脚的输出规格和所连接MCU的输入规格(VIL、VIH等)。下面是FO输出的规格值和FO引脚的V-I特性。

例如,当希望将电压上拉至5V时,建议使用10kΩ的上拉电阻。此时,灌电流约为最大额定电流的一半,有足够的裕量,且受漏电流IFOLEAK影响的H电平为5V-10kΩ・10µA=4.9V,作为5V级的逻辑电平也已足够。
FO引脚的输入功能
FO引脚由于其内部连接于用来关断下桥臂各相IGBT的输入端,因此也可用作输入。利用该功能,通过将电阻器R2和电容器C2与FO引脚连接,并调整C2的充电时间,可扩展下桥臂各相IGBT的关断时间。
当FO输出经由光电耦合器等隔离器件输入至MCU时,比如在输出时间隔离器件的传输延迟时间比FO输出的L电平最短时间(45µs:SCP)长时,需要根据光电耦合器的信号传输延迟情况来扩展FO输出时间时,可使用该功能(请参考下图和时序图)。


所连接RC的时间常数根据FO引脚的输入规格进行调整。需要考虑到下表中的阈值和迟滞电压规格值。

【资料下载】IGBT基础
IGBT是具有代表性的功率器件之一,被广泛应用于包括电机驱动在内的诸多领域。本手册作为对IGBT的基础理解,将基于IGBT的特性,对其适用范围、应用示例、结构和工作原理,以及与其他功率器件的比较和区分使用等方面进行说明。
















