本文将介绍线性稳压器IC设计中的基本特性与注意事项。除输入输出电压差、瞬态响应与纹波抑制比之间的关联性外,还会详细阐述输出和输入电容器的选型与布局要点。另外,还会通过浮动工作状态下如何抑制纹波电压升高、以及过电流保护的工作特性等主题,为构建稳定的电源电路提供实用建议。
线性稳压器的输入输出电压差与瞬态响应及纹波抑制比的关系
本主题涉及到的规格值和特性曲线虽然是以BA1117为例进行解说的,但原则上适用于所有线性稳压器IC。线性稳压器IC若无法确保规定的压降电压(输入输出之间的电压差),就无法正常工作。输入电压的最小值,需从技术规格书的“压降电压 vs 输出电流”曲线图中读取所用负载电流下的压降电压,再与输出电压相加得出。示例中使用的BA1117,当其输出电流为0.5A时,可读取到压降电压约为1.1V(典型值,Ta=25℃),因此,若输出为5V,则最小输入电压应为6.1V。

在这样微小的输入压差条件下,虽然直流工作状态得以维持,但其他控制能力将无法充分发挥出来。例如,当负载发生波动时,若输入输出电压差较小,将无法在短时间内从输入端向输出端提供大电流,这意味着负载响应速度会变慢。另外,响应速度慢也会表现为纹波抑制比(PSRR)特性变差。这一点通过这些规格值的规定条件、输入输出电压值及相关图表可以看出来。下面举一个例子。通过示例可以看出,在5V输出时,加上1.2V压降电压后的6.2V输入时的特性与加上2V以上压降电压后的7V以上输入时的特性存在明显差异。

在注重效率的情况下,应尽量减小输入输出电压差,但可能导致无法发挥出预期特性。在本示例中,我们将基于获得预期负载响应性能和PSRR所需的能力来探讨输入电压,并寻求效率与各项特性之间的平衡点。
线性稳压器输出电容相关的注意事项
输出电容器对于维持稳压器的稳定性而言至关重要。下面以BA1117为例列出了输出电容器相关的注意事项。大多数注意事项并非仅限于BA1117,而是适用于所有线性稳压器。

在实装电路板上的配置
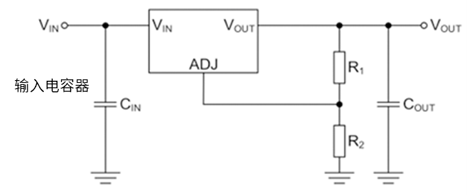
输出电容器\(C_{OUT}\)用来使反馈环路更稳定,应尽可能靠近IC的\(V_{OUT}\)引脚进行连接,并同样连接至邻近的接地线。这一点也适用于BA1117以外的其他型号产品。
电容量
BA1117的输出电容器的电容量需在22μF以上。电容量过小可能会导致振荡。电容量较大时,反馈环路的稳定性和输出瞬态响应特性会得到提升。不同线性稳压器IC的最小电容量可能有所不同,具体请参照所用IC的技术规格书。
电容量最大值并无限制,但需注意以下事项:增大电容量会使电源开启时输出电容的充电时间(达到设定电压所需的时间)以及关闭时的放电时间(降至约等于接地电位所需的时间)延长。需要确认这些时间是否满足供电设备及电路的电源相关参数要求。
另外,当关闭输入电源时,若出现输出电压与输入电压反相(输出电压高于输入电压)的情况,可能导致大电流反向流入IC内部,进而造成器件损坏。在这种种情况下,可通过增设防逆流旁路二极管进行规避(见上图)。所选用的二极管必须在比IC输出晶体管因输入输出电压反相而导通的电压更低的电压下导通,以旁路反向电流,因此需要选用具备有效正向电压\(V_F\)的二极管。部分IC具备这种保护功能,具体需要确认相应的技术规格书。
ESR(等效串联电阻)
BA1117输出电容的ESR需控制在5Ω以下。ESR值过大会导致反馈环路不稳定,从而引发振荡问题。另外,该ESR值是基于IC单体及电阻负载的评估结果而获得的。在实际应用中,由于会受到电路板走线阻抗、输入端电源阻抗及负载阻抗的影响而发生变化,因此务必在实际装机状态下充分确认是否有振荡现象。
通常,不仅输出电容的ESR过大时会导致环路不稳定并引发振荡,ESR过小时也同样会引发此类问题。ESR的上限和下限因IC而异,具体需要确认各产品的技术规格书。
铝电解电容器
输出电容器可采用铝电解电容器。铝电解电容器虽然价格低廉且能获得较大容量,但需注意部分产品在低温环境下会出现容量急剧减少及ESR上升的现象。
陶瓷电容器
使用陶瓷电容器作为输出电容时,推荐选用温度特性优异的X5R和X7R。Z5U、Y5V、F的容量变化较大,请勿使用。请注意,由于容差、温度特性和DC偏压特性会导致电容值下降,所以需要确保在使用条件下所选电容器的容值不低于技术规格书中规定的最小值。另外,DC偏压特性还取决于外壳尺寸,随着尺寸的减小,电容量下降幅度呈增大趋势。
输出负载瞬态响应
当输出负载电流急剧波动时,输出电压可能出现瞬时波动现象。若欲减小该电压波动,请增大输出电容的电容量。然而,若增加输出电容的容量,从输入端向输出电容器充电的电荷量将会增加,因此当输入端电源的负载响应特性较差时,输入电压同样可能出现瞬时跌落现象。要想防止这种现象,需将输入电容器的电容量提升至与输出电容器的电容量相当的程度。
线性稳压器输入电容相关的的注意事项
输入电容器在电路工作时用来抑制输入电源的电位波动,以使线性稳压器IC的输入保持稳定。尤其在输入布线(电路板薄膜布线)较长或输入电源阻抗较高时,可有效确保LDO输入电源的稳定性。
下面以BA1117为例,介绍输入电容相关的注意事项。与输出电容器一样,大多数注意事项并非仅限于BA1117,而是适用于所有的线性稳压器。

在实装电路板上的配置
输入电容器\(C_{IN}\)应尽可能靠近\(V_{IN}\)引脚进行连接,并同样连接至邻近的接地线。请将输入电容器配置在距离IC 1cm以内的范围内。如前所述,此举旨在降低输入电源阻抗,并尽可能消除电路板寄生分量的影响。
电容量
以本示例中的BA1117为例,其采用的是10uF的输入电容。当输出电流发生急剧变化时,可通过增大输出电容的电容量来抑制电压瞬时波动。但若输入电源端的瞬时电流供给能力不足,则可能导致输入电压下降。要想防止这种现象,需将输入电容器的电容量提升至与输出电容器的电容量相当的程度。关于大容量(Bulk)电容器,铝电解电容器需与陶瓷电容器并联连接。
ESR(等效串联电阻)
输入电容器的主要目的是降低输入电源阻抗,因此要求其ESR(等效串联电阻)越小越好。如果流向IC的输入电流无突变情况,也可选用其他类型的电容器。
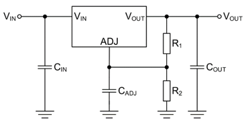
防止浮动工作线性稳压器的输出纹波电压增加
本节是有关配备ADJ引脚的浮动工作线性稳压器的内容。随着输出电压升高,输入纹波会被放大,从而导致IC的纹波抑制比恶化。作为对策,可在ADJ引脚与接地之间添加电容器\(C_{ADJ}\),以抑制纹波被放大并防止纹波抑制比恶化。

为防止纹波抑制比恶化,如下面的公式所示,在所有纹波频率下,\(C_{ADJ}\)的阻抗应低于\(R_1\)。
\(\displaystyle \frac{1}{2\pi \times f_{\text{RIPPLE}} \times C_{\text{ADJ}}} < R_1\)
\(f_{RIPPLE}\) :纹波频率[Hz]
下图是BA1117的\(C_{ADJ}\)与纹波抑制比的变化关系曲线,从中可以看到\(C_{ADJ}\)的效果。

线性稳压器的负载与启动相关的注意事项
BA1117的过电流保护(OCP)采用的是折返(下垂)式特性设计,可支持绝大多数负载的启动。但需要注意的是,在启动时有大电流(浪涌电流)流过的电路中,可能无法正常启动。这是由于负载电流超过IC的输出(供电)电流时,输出电压无法上升,导致IC无法启动。需注意的负载包括电机、大容量电容器、恒流负载等。
下图是BA1117的输出电流\(I_O\)与输出电压\(V_{OUT}\)(设定为1.5V时的示例)之间的关系曲线图。BA1117的输出电流规格为最小1.0A、标准1.7A。该曲线呈现出折返(下垂)式过电流保护特性,即在保持输出电流基本恒定的同时,输出电压会下降。对于这种折返(下垂)式的情况而言,即便电流限制功能生效,仍能持续输出接近限流值的电流。因此,通常即使在前述的负载条件下,也能实现启动。

部分线性稳压器采用的是折返式(Foldback)特性的过电流保护机制。折返式(Foldback)特性会同时降低输出电压和输出电流,因此在启动时若产生浪涌电流导致保护机制启动,就会使输出电压固定在无法提升的状态。尤其是像前述的负载情况,需要确认启动时是否存在问题。
过电流保护的类型包括折返(下垂)特性、“フ”字形特性、“ヘ”字形特性以及这些特性的组合特性。由于每种特性各具特色,因此需要在充分理解其特性的基础上,来选用配备过电流保护功能且符合电路规格要求的线性稳压器IC。
















