示例中使用的线性稳压器IC
为便于说明,我们在示例中使用常见的线性稳压器IC“BA1117”。BA1117是一款支持浮动工作的可变输出低饱和(低压差)线性稳压器IC,属于“LDO”类型。其主要规格和框图如下。浮动工作的线性稳压器采用的是无接地(GND)引脚的结构设计。
- 输入额定电压:15V
- 输入电压范围:\(V_{OUT}\)+1.4V~10V
- 基准电压:1.25V
- 输出电压设置范围:1.25V~8.6V
- 输出电流:1A
- 压差电压:1.2V(1A时)
- 输出电压精度:±1%(不含外置电阻的精度)
- 输出电流:5mA *1~1A
- 工作结温范围:-20℃~+105℃
*1:含电压设置电阻的电流
※规格值请以最新的技术规格书为准。

BA1117是一款在输出级采用了NPN晶体管的LDO,其压差电压(即维持正常工作所需的最小输入输出电压差。详情见后文)约为1.2V。输出级采用PNP晶体管或MOSFET的LDO,其压差电压约为0.5V,因此可能有人会有异议:”1.2V是否属于LDO范畴?”标准型(如78xx系列等)的压差电压约为2V,因此BA1117确实属于低压差线性稳压器(LDO)范畴。具体详情请参阅TechWeb上的“线性稳压器基础”。
本节有以下几点需要注意:说明中会出现诸如”压差电压1.2V”等规格值,但这些数值并不一定是保证值(最大值或最小值)。所以,在实际设计时请务必以最新的技术规格书为准。另外,电路示例等可能会有部分内容省略,仅供参考。
使用了浮动工作线性稳压器IC的电源电路示例
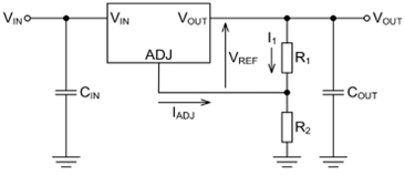
下面是由BA1117构成的具有代表性的电源电路及BA1117封装示意图。这款IC的正式型号名称为“BA1117FP”。

电路非常简单。所需外置元件仅4个:输入电容\(C_{IN}\)、输出电容\(C_{OUT}\)、输出电压设置用的电阻\(R_1\)和\(R_2\),均可采用小型贴片式的产品。
BA1117的封装形式为TO252-3。这是具有可提高散热性能的FIN(也称为“TAB”)的表面贴装型封装,是1A输出级中的典型封装形式。下面是各引脚的功能说明:
| 引脚名 | 功能 |
|---|---|
| ADJ | 输出电压设置引脚 ADJ引脚通过与\(V_{OUT}\)引脚之间产生1.25V基准电压,并对\(V_{OUT}\)引脚与接地之间进行电阻分压,可在1.25V至8.6V的范围内设置输出电压。 |
| \(V_{IN}\) | 输入引脚 通过输入引脚给IC供电。为使IC的输入更稳定,会在\(V_{IN}\)与接地之间连接电容器。电容器应配置在引脚附近。 |
| FIN=\(V_{OUT}\) | 输出引脚、散热翅片 给负载供电。为防止振荡,\(V_{OUT}\)引脚需与接地之间连接电容器。FIN通过引线框架与IC芯片连接,为提升散热效率,建议将其焊接在铜箔面积较大的\(V_{OUT}\)层上。 |
浮动工作线性稳压器IC的输出电压设置方法
示例中使用的线性稳压器ICBA1117属于可变输出型LDO。可变输出型通过使用外置电阻分压器,可设置任意输出电压值(通常设置范围为从内部基准电压源到IC规定的最大输出电压)。另外,除可变输出型外,还有固定输出型产品。这种是在IC内部内置了分压电阻的产品,可设置5V和3.3V等常见的标准电压,通常仅需外接输入输出电容器即可工作。可根据使用需求,灵活选用可变输出型与固定输出型产品。
BA1117支持1.25V~8.6V范围的输出电压设置。输出电压可通过以下公式计算得出:
\(V_{\text{out}} = V_{\text{REF}} \times \left(1 + \displaystyle \frac{R_2}{R_1}\right) + I_{\text{ADJ}} \times R_2 \, \text{[V]}\)
\(V_{REF}\) *1:基准电压[V]=1.25V typ
\(I_{ADJ}\):ADJ引脚电流[A]=60µA typ

BA1117的\(V_{OUT}\)引脚与ADJ引脚之间会输出1.25V的基准电压。\(R_1\)的电流\(I_1\)可通过1.25V/\(R_1\)计算得出,而\(R_2\)的电流则为\(R_1\)的电流加上ADJ引脚的偏置电流\(I_{ADJ}\)得到的值。ADJ引脚的偏置电流为60μA typ(120μA max),通过\(R_2\)流向接地端。为减小ADJ引脚的偏置电流引起的输出电压误差,建议将\(R_1\)值设置为120Ω。通过将\(R_1\)值调小并将\(I_1\)值调大,\(I_{ADJ}\)值便可忽略不计。
另外,在PCB布局方面,为获得最佳负载调整性能,请将输出电压设置电阻的上端直接连接于\(V_{OUT}\)(FIN)引脚。
下表列出了典型输出电压对应的设置电阻值。本示例中采用的标称电阻值是E24系列。电阻\(R_1\)和\(R_2\)需使用同一类型的产品。若类型不同,由于它们的容差和温度特性不同,\(R_1\)与\(R_2\)的比率可能会发生变化,从而很可能导致输出电压精度恶化。使用比0402mm(01005英寸)尺寸小的贴片电阻时,请注意选择符合电阻额定功率和最大电压要求的产品。
以最少元器件数量进行设置时
| 目标值\(V_O\)\((V)\) | \(R_1\)\((Ω)\) | \(R_2\)\((Ω)\) | 计算值\(V_O\)‘\((V)\) | 误差(%) |
|---|---|---|---|---|
| 1.25 | 120 | 0 | 1.250 | 0 |
| 1.5 | 120 | 24 | 1.501 | + 0.10 |
| 1.8 | 82 | 36 | 1.801 | + 0.05 |
| 1.9 | 120 | 62 | 1.900 | – 0.02 |
| 2 | 200 | 120 | 2.007 | + 0.36 |
| 2.5 | 120 | 120 | 2.507 | + 0.29 |
| 3 | 130 | 180 | 2.992 | – 0.28 |
| 3.3 | 110 | 180 | 3.306 | + 0.19 |
| 5 | 120 | 360 | 5.022 | + 0.43 |
| 6 | 180 | 680 | 6.013 | + 0.22 |
| 7 | 180 | 820 | 6.994 | – 0.09 |
| 8 | 150 | 820 | 8.133 | + 1.66 |
高精度设置时
| 目标值\(V_O\)\((V)\) | \(R_1\)\((Ω)\) | \(R_2\)\((Ω)\) | 计算值\(V_O\)‘\((V)\) | 误差(%) |
|---|---|---|---|---|
| 1.25 | 120 | 0 | 1.250 | 0 |
| 1.5 | 120 | 24 | 1.501 | + 0.10 |
| 1.8 | 82 | 36 | 1.801 | + 0.05 |
| 1.9 | 120 | 62 | 1.900 | – 0.02 |
| 2 | 120 | 68+3.6 | 2.000 | + 0.01 |
| 2.5 | 150 | 110+39 | 2.501 | + 0.02 |
| 3 | 120 | 120+47 | 3.000 | – 0.01 |
| 3.3 | 130 | 130+82 | 3.301 | + 0.04 |
| 5 | 160 | 430+47 | 5.005 | + 0.10 |
| 6 | 150 | 510+56 | 6.001 | + 0.01 |
| 7 | 120 | 510+39 | 7.002 | + 0.02 |
| 8 | 130 | 680+18 | 8.003 | + 0.04 |
这里有一点需要注意。通常情况下,会通过\(R_1\)和\(R_2\)从\(V_{OUT}\)引脚持续向接地端流入约10mA的电流。但若将输出电压设定为1.25V,并将\(R_1\)设为开路状态时,该电流会变为零。然而,当负载电流变为零时,BA1117的负反馈功能将失效,导致输出电压上升,从而无法正常工作。这表示技术规格书中记载的规格值——最小负载电流(\(I_{O(min)}\))的最大值,以及输出电流(\(I_O\))的最小值。为防止这种情况发生,需要给\(R_1\)配置120Ω的电阻,以确保负载电流始终保持在10mA左右。
负载调整和浮动工作线性稳压器的开尔文连接
通常,只要将输出电压设置电阻连接在\(V_{OUT}\)引脚的线路上,即可获得最佳的稳压效果。然而,在负载电流较大、走线宽度较窄或到负载的距离较远等情况下,PCB铜箔布线的电阻可能会引起电压降,从而可能导致负载点的电压降低。此时,需要将线性稳压器IC自身的负载调整率与这些因素的负载调整率相加进行计算。这种负载调整思路不仅适用于浮动工作线性稳压器,也是适用于所有线性稳压器通用的思路。
通过将输出电压设置电阻分压器的下端尽可能靠近负载进行连接,可消除该影响。这个方法就是众所周知的开尔文连接法,能够消除输出大电流\(I_{LARGE}\)与\(V_{OUT}\)引脚至负载端之间的走线电阻\(R_{PARASTIC}\)导致的电压降的影响。另外,将高阻抗的分压电阻器配置在IC附近,并延长低阻抗的电阻下端的走线,可有效提升抗噪性能。下面是BA1117的开尔文连接示例:

IC的输出电容\(C_{OUT}\)用于防止振荡,因此应配置在IC附近;而在负载附近则需配置大容量电容\(C_{BULK}\),以对急剧的负载变化迅速作出响应。
需要注意的是,多数线性稳压器IC均设有接地引脚(浮动工作的BA1117没有接地引脚),由于ADJ引脚与接地之间有基准电压,因此需采用开尔文连接法将电阻分压器上端靠近负载端配置。但要注意,由于BA1117在ADJ引脚与输出\(V_{OUT}\)引脚之间有基准电压,所以其连接方式应与常规接法相反。下图为BA1117错误的开尔文连接方式。此时的输出电压可用后续的公式表示。与上一节给出的输出电压设置用的公式相比,错误的连接方式会导致\(V_{REF}\)项中额外叠加由输出大电流\(I_{LARGE}\)与\(V_{OUT}\)引脚至负载端之间的走线电阻\(R_{PARASTIC}\)引发的电压降。也就是说,负载电流(\(I_{LARGE}\))会导致负载调整性能恶化,这意味着无法获得开尔文连接的效果。

<上图的输出电压计算公式>
\(V_{\text{out}} = (V_{\text{REF}} + I_{\text{LARGE}} \times R_{\text{PARASITIC}}) \times \left(1 + \displaystyle \frac{R_2}{R_1}\right) + I_{\text{ADJ}} \times R_2 \, \text{[V]}\)
浮动工作线性稳压器IC的输出电压误差
输出电压误差为BA1117的基准电压*1容差与输出电压设置用的外置电阻容差的乘积,加上ADJ引脚电流\(I_{ADJ}\)的容差、线路调整率容差以及负载调整率容差的总和*2。若以各容差的最大值计算,可求得最大容差,而以最小值计算则可求得最小容差。
*1:技术规格书中使用\(V_O\)来表示基准电压(Reference Voltage),所以这里沿用\(V_O\)。
*2:不包括PCB的走线电阻引起的负载调整率。
输出电压的最大值和最小值可通过以下公式来表示。在此基础上,考虑到线路调整率与负载调整率容差的值,形成输出电压的最终误差范围。
<最小值>
\(V_{\text{out(min)}} = V_{\text{0(min)}} \times \left(1 + \displaystyle \frac{R_2(\text{min})}{R_1(\text{min})}\right) + I_{\text{ADJ(min)}} \times R_2(\text{min}) \, \text{[V]}\)
<最大值>
\(V_{\text{out(max)}} = V_{\text{0(max)}} \times \left(1 + \displaystyle \frac{R_2(\text{max})}{R_1(\text{max})}\right) + I_{\text{ADJ(max)}} \times R_2(\text{max}) \, \text{[V]}\)
















